Vistas:71 Autor:Editor del sitio Hora de publicación: 2019-03-28 Origen:Sitio
Introducción:
La instalación de este colector solar solo debe ser realizada por personal calificado en fontanería y techado. La instalación debe cumplir con los códigos locales de construcción, permisos y requisitos. La instalación del colector se puede adaptar a los edificios existentes o integrarse en nuevos proyectos de construcción.
teoría de operación
Un colector solar es simplemente un intercambiador de calor diseñado para convertir la energía de la luz radiante del sol en energía térmica para almacenarla para su uso posterior. Este colector utiliza óptica sin imagen y tecnología de concentración parabólica para calentar los medios fluidos que pasan a través del colector de tubos con recubrimiento selectivo. Los medios fluidos circulan, a través de una bomba, a través del colector y dentro de un tanque de almacenamiento ubicado dentro de la casa / edificio.
Orientación de coleccionista
El rendimiento del colector solar se optimiza cuando el colector se monta orientado hacia el sur verdadero. Sin embargo, el rendimiento sufre muy poco cuando el colector está orientado a no más de 45 ° Este u Oeste del Verdadero Sur. El recolector no debe estar sombreado por ningún obstáculo permanente entre las 9:00 a.m. y las 3:00 p.m. en cualquier día del año.
Inclinación del colector
La eficiencia anual óptima se logra inclinando el colector solar en un ángulo que iguale su latitud más 10 ° adicionales. Este ángulo de inclinación favorece el sol invernal más bajo cuando el rendimiento del colector está en su punto más bajo y minimiza el sobrecalentamiento durante los meses más calurosos del verano.
Los colectores solares en una instalación de montaje escalonado de dos colectores deben estar lo suficientemente separados para evitar el sombreado invernal. La Tabla 1 y la Figura 1 muestran el espacio correcto entre los colectores para evitar el sombreado el 21 de diciembre, cuando el sol está en su ángulo más bajo. Entonces, a medida que el colector se aleja de las paredes, para asegurarse de que no haya sombra en el colector durante todo el año.
Figura 1
Procedimientos básicos de montaje
Se recomienda enfáticamente la protección contra congelamiento; por lo tanto, el colector siempre debe montarse en una orientación vertical.
El colector solar debe montarse en el techo de acuerdo con estos principios generales:
Hay un soporte que debe ensamblarse en el techo junto con todo el sistema, no se recomienda ensamblar el sistema en un área que a menudo tiene mucha nieve y huracanes. La consideración estructural más importante es anclar de manera segura el colector solar y el hardware de montaje a los miembros estructurales del techo con perchas de acero inoxidable o pernos de retraso.
Si la región está sujeta a condiciones de vientos fuertes o huracanes, se pueden requerir pasos adicionales para asegurar el colector y el hardware de montaje a los miembros estructurales. En ciertas áreas del país, los códigos de construcción locales pueden requerir pruebas de carga de viento del colector o prescribir procedimientos de montaje específicos. Consulte a su departamento de construcción local.
Fontanería de coleccionista
Esta instalación requiere el uso de todos los accesorios de cobre y latón en la tubería del colector. Se deben usar acoplamientos en lugar de uniones para unir los colectores para evitar fugas y pérdida de fluidos. Use solo soldadura sin plomo. El uso de soldadura de plomo 50/50 está expresamente prohibido. Se prohíbe el uso de acero galvanizado, CPVC, PVC o cualquier otro tipo de tubería de plástico. El tamaño mínimo para la tubería del colector hacia y desde es cobre de 5/8 OD. Se requiere cinta de fontanero de cobre o correa de tubo. El material aislante no puede comprimir ni engarzar el aislamiento de la tubería.
Este colector solar se prueba de fugas en la fábrica. Una vez que el colector ha sido instalado como parte de un sistema de calentamiento solar de agua doméstico, el sistema debe llenarse, presurizarse y comprobarse si hay fugas. Las reparaciones deben corregirse y el sistema debe volver a probarse antes de la instalación del aislamiento.
Tapajuntas de tubería:
Los tapajuntas de las tuberías se utilizan para pasar a través de la membrana del techo y hacia el espacio del ático para
conexión posterior a la interconexión
plomería. Todas las penetraciones de techo deben sellarse de acuerdo con las prácticas estándar de techo. Haga penetraciones en el techo entre las armaduras para permitir la expansión térmica y una ligera flexión de la tubería debido a la amortiguación del viento.
Se pueden utilizar tapajuntas de ventilación de techo de plomería estándar, sin embargo, la funda de goma o plástico debe protegerse del sol. La Figura 12 detalla un destello de cobre que utiliza una tapa coolie soldada a la tubería de interconexión. Esta conexión debe hacerse antes de la inserción a través de la base intermitente.
Las tuberías en las nuevas instalaciones solares pueden cubrirse con suciedad, grasa, flujo de soldadura u otras impurezas que con el tiempo afectan la calidad del agua destilada o el calor de propilenglicol.
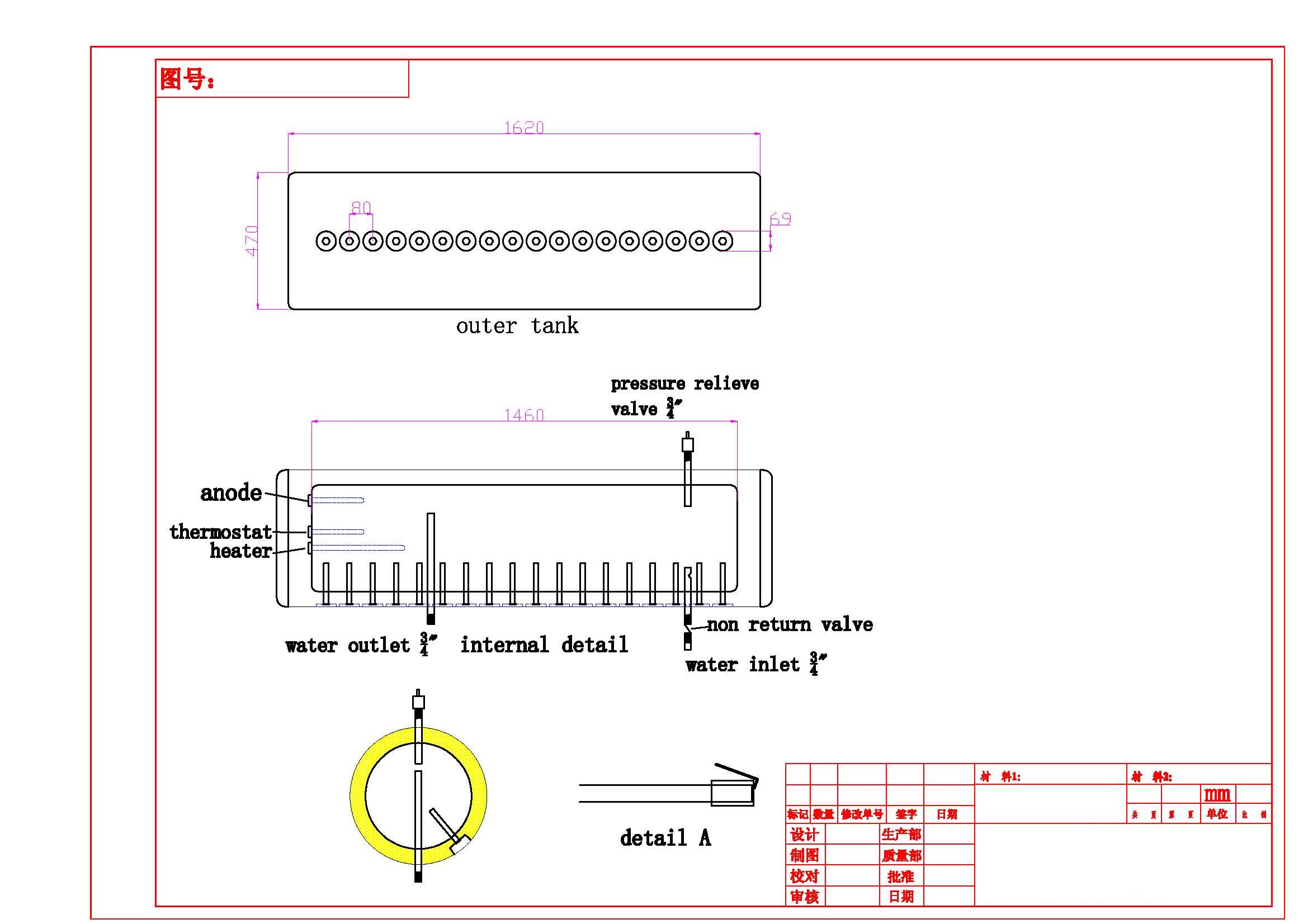
Datos técnicos:
SPP-470-H58 / 1800-18-C incluye tanque de agua, reflector, tuberías de calor y marcas de soporte estructural.
18 colector de tubo de calor. Tubo SC con tubo de cobre y aleta de aluminio. El fluido de transferencia en la tubería de cobre es 99% de agua pura y 1% de acetona. El grosor del tubo es de 1,6 mm. El diámetro es de 58 mm. Longitud: 1800 mm. espesor de cobre es de 1,6 mm.
Depósito interior y exterior: acero inoxidable SUS 304 2B. El grosor interno del tanque es de 1.2 mm. El diámetro es de 360 mm. El espesor del tanque externo es de 0.4 mm. El diámetro es de 470 mm.
Aislamiento: 55 mm de espuma de poliuretano para mantener el calor con una capacidad de 160 litros.
Energía eléctrica: 1500W-3000W
Dimensiones del orificio: 1/2 "o 3/4"
Peso sin agua: 81kgs
Marcas de soporte estructural / montaje: acero inoxidable
Reflector: aluminio
Presión máxima de funcionamiento: 6 bares.
Presión máxima: 8 bares
Teperatures máximos: 95.C
Tipo de fluido de transferencia de calor: acetona
serie de calentadores de agua solares de alta presión
Paquete:
El sistema solar consta de 4 cajas con los siguientes componentes.
Recuadro 1: marcas de acero inoxidable
Caja 2: tanque de acero inoxidable
Recuadro 3: reflectores de acero inoxidable
Recuadro 4: tubos de vacío de vidrio
Pautas de instalación:
Cuadro 1: marcas: divida los componentes por orden de tamaño. Hay componentes del lado derecho e izquierdo
Los componentes 1 deben orientarse con los 8 agujeros mirando hacia el interior de la marca (para instalar los reflectores solares)
Cantidad | Descripción | Componente | Cantidad | Descripción | Componente |
2 | Bar | # 1 | 2 | Bar | # 7 |
2 | Bar | # 2 | 1 | Base para arreglar los tubos. | # 8 |
4 | Base para las marcas | # 3 | 18 | Base de plástico para fijar los tubos. | # 9 |
2 | Soportes de tanque | # 4 | 1 | Enchufe | # 10 |
2 | Bar | # 5 | 18 | Anillos negros | # 11 |
2 | Bar | # 6 | 1 | Tornillos y nueses |
Paso 1: ensamblar las marcas
Componente de ensamblaje número 3 con los componentes número 1 y 2


B. Conjunto de componentes número 4 con componentes número 1 y 2





C: Componentes de ensamblaje número 5 y 6 con los componentes 1 y 2




D: componentes de montaje 7 y componentes 2



E: ensamblaje componente 8 y componentes 1
Paso 2. Instale los componentes reflectantes
Utilice tornillos tipo 3
Paso 3. Instale los tanques en sus soportes.

Paso 4. Posición del sistema
Asegúrese de que todos los pernos estén apretados y que el sistema sea totalmente rígido. Ahora puedes orientar el sistema. La mejor dirección es el sur. Evitar sombras en el sistema.
Puede resistir la temperatura más baja de -30 ℃
Cuando la presión alcanza más de 6 bares, la válvula P / T está abierta y libera presión.
El sistema requiere una base sólida, porque el peso del sistema es 241 cuando está lleno de agua. Asegúrese de que el sistema sea horizontal. Repara las 4 bases del sistema
Paso 5. Instalación de tubos colectores
Saque un tubo de la caja con cuidado.
Saca el tubo. Aplique la pasta térmica de silicona líquida en la parte superior del tubo y en el orificio del tanque


Inserte cuidadosamente el tubo en el orificio del tanque y gire lentamente en la dirección del reloj, hasta que el tubo entre, e insértelo girando en la dirección opuesta del reloj hasta que quede firmemente fijado en su base.
Mueva el componente negro para sellar el tubo con el tanque
Coloque un poco de teflón en el tubo donde sale el agua caliente (parte inferior del tanque) e instale la llave esférica
Válvula P / T, cuando la presión en el tanque es más de 6 bares, la válvula se abrirá para liberar presión.
Tubo de aislamiento para proteger las heladas.
Usando controlador
La función del controlador: pantalla 1.time
2.pantalla de temperatura
3. Diferencia de temperatura de circulación controlada
4.circulación de tiempo de agua caliente en tres secciones de tiempo preestablecidas
5.calentamiento de tiempo en tres secciones de tiempo preestablecidas
6.protección contra heladas
7.protección de memoria cuando falla la energía
8.indicación doble del sensor
Dibujo de tanque
Válvula P / T
mi.
Agujero eléctrico respaldado
agua fría adentro, agua caliente afuera
Guía del usuario
un). Componentes de seguridad existentes: válvula P / T
si). Antes de iniciar el sistema, se debe verificar que todas las válvulas funcionen correctamente y que el sistema esté completamente lleno de agua y líquido anticongelante.
En caso de cualquier condición de falla, se llamará a un especialista.
C). Operación regular de válvulas de seguridad:
re). Precauciones con respecto al riesgo de daños por heladas y / o sobrecalentamiento
mi). La manera de evitar fallas cuando se inicia el sistema bajo heladas o posibles condiciones de heladas:
F). Abandono del sistema.
sol). El mantenimiento del sistema por parte del especialista, incluida la frecuencia de las inspecciones y el mantenimiento y una lista de las piezas que deben colocarse durante el mantenimiento normal
h) Datos de rendimiento:
i). el sistema no se utilizará en zonas climáticas con valores de irradiación más altos
j) la protección contra sobrecalentamiento: desconecte la energía eléctrica o llene agua fría.
k) el sistema puede resistir la temperatura más baja de -30 ℃
l) fluido de transferencia: acetona y agua pura
metro). Tipo de fluido de transferencia: 99% de agua pura y 1% de acetona.
Descripción adicional
Los productos están sujetos a cambios sin más explicaciones.
No permita que un presupuesto limitado le impida obtener el equipo de confort que necesita para su hogar o negocio. ¡Regístrese para recibir nuestra experiencia en energía solar por profesionales de la energía solar!
